SCWU軸裝式圓弧圓柱蝸輪蝸桿減速機

一、概述
軸裝式圓弧圓柱蝸輪蝸桿減速機(JB/T6387 — 1992)直接套裝在工作機主軸上,包括 SCWU ,SCWS,SCWO 三個系列。主要應用于冶金、礦山、起重、運輸、化工、建筑等機械設備的減速傳動。
工作條件:蝸輪減速機的蝸桿軸可正、反兩個方向運轉,輸入轉速不超過1500r/min,工作環境溫度為-40-40°C。當工作環境溫度低于0°C時,起動前潤滑油必須加熱到0°C以上;當工作環境溫度高于40°C時,必須采取冷卻措施。
二、型號與標記
1.本機結構為單級,包括以下四種型號
(1)SCWU 型—蝸桿在蝸輪之下型;
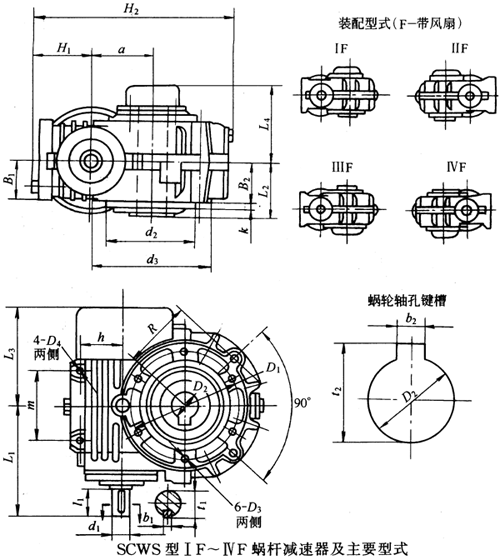
(2)SCWS 型—蝸桿在蝸輪之側型;
(3)SCWO 型—蝸桿在蝸輪之上型。
(4)SCWV1型—蝸桿軸線在垂直方向型
標記示例:









上一篇: ZC1雙極蝸輪蝸桿減速機
下一篇: RV微型蝸輪蝸桿減速機
